60mm Brushless DC Gearmotor
Parallel shaft gearbox
- 15-25 Watt
- 24VDC (36/48VDC optional)
- 3-200:1 Ratio
- Custom shafts
Note: Motors are available without gearbox
Motor Specification
| Rated power (Continuous) | W | 25 (15W/25W) | |||
| Rated speed | r/min | 2500 | |||
| Rated torque | N.m | 0.096 | |||
| Instantaneous maximum torque | N.m | 0.144 | |||
| Rotor moment of inertia | J:X10-4kg.m2 | 0.042 | |||
| Speed control range | RPM | 200~3000 | |||
| Speed control range | On load | Below ±1%: Condition 0~rated torque, rated speed, rated voltage, room temperature | |||
| On voltage | Below ±1%: condition rated voltage ±10%, rated speed, rated load, room temperature | ||||
| On temperature | Below±1%: Conditions of ambient temperature 0~+40°C rated voltage, rated load and rated speed | ||||
| Power input | Rated voltage | V | 24VDC (Optional 36VDC/48VDC) | ||
| Voltage tolerance range | ±10% | ||||
| Frequency | Hz | 50/60 | / | ||
| Frequency tolerance range | ±5% | / | |||
| Rated input current | A | 1 | 0.6 | 1.7 | |
| Instantaneous maximum input current | A | 2 | 1.2 | 2.6 | |
Gear Motor Specification (Unit: N.m)
| Model | Reduction ratio/Motor speed | 3 | 3.6 | 5 | 6 | 7.5 | 9 | 10 | 12.5 | 15 | 18 | 20 | 25 | 30 | 36 | 50 | 60 | 75 | 90 | 100 | 120 | 150 | 180 | 200 |
| Z2BLD15-◘GN | 200~1500RPM | 0.18 | 0.22 | 0.30 | 0.36 | 0.45 | 0.54 | 0.60 | 0.75 | 0.91 | 1.08 | 1.09 | 1.36 | 1.63 | 1.96 | 2.72 | 3.00 | 3.00 | 3.00 | 3.00 | 3.00 | 3.00 | 3.00 | 3.00 |
| 2000RPM | 0.15 | 0.18 | 0.26 | 0.31 | 0.38 | 0.45 | 0.51 | 0.64 | 0.77 | 0.92 | 0.92 | 1.15 | 1.38 | 2.30 | 2.50 | 3.00 | 3.00 | 3.00 | 3.00 | 3.00 | 3.00 | 3.00 | 3.00 | |
| 2500RPM | 0.14 | 0.17 | 0.23 | 0.28 | 0.35 | 0.42 | 0.46 | 0.58 | 0.70 | 0.84 | 0.84 | 1.05 | 1.25 | 1.51 | 2.09 | 2.27 | 2.83 | 3.00 | 3.00 | 3.00 | 3.00 | 3.00 | 3.00 | |
| 3000RPM | 0.12 | 0.14 | 0.19 | 0.23 | 0.29 | 0.35 | 0.39 | 0.48 | 0.58 | 0.70 | 0.70 | 0.87 | 1.05 | 1.25 | 1.74 | 1.88 | 2.35 | 2.82 | 3.00 | 3.00 | 3.00 | 3.00 | 3.00 |
| Model | Reduction ratio/Motor speed | 3 | 3.6 | 5 | 6 | 7.5 | 9 | 10 | 12.5 | 15 | 18 | 20 | 25 | 30 | 36 | 50 | 60 | 75 | 90 | 100 | 120 | 150 | 180 | 200 |
| Z2BLD25-◘GN | 200~1500RPM | 0.30 | 0.36 | 0.50 | 0.60 | 0.75 | 0.91 | 1.00 | 1.26 | 1.51 | 1.81 | 1.81 | 2.27 | 2.72 | 3.00 | 3.00 | 3.00 | 3.00 | 3.00 | 3.00 | 3.00 | 3.00 | 3.00 | 3.00 |
| 2000RPM | 0.26 | 0.31 | 0.43 | 0.51 | 0.64 | 0.77 | 0.85 | 1.06 | 1.28 | 1.53 | 1.53 | 1.92 | 2.30 | 2.76 | 3.00 | 3.00 | 3.00 | 3.00 | 3.00 | 3.00 | 3.00 | 3.00 | 3.00 | |
| 2500RPM | 0.23 | 0.28 | 0.39 | 0.46 | 0.58 | 0.69 | 0.77 | 0.97 | 1.16 | 1.39 | 1.39 | 1.74 | 2.09 | 2.51 | 3.00 | 3.00 | 3.00 | 3.00 | 3.00 | 3.00 | 3.00 | 3.00 | 3.00 | |
| 3000RPM | 0.19 | 0.23 | 0.32 | 0.39 | 0.48 | 0.58 | 0.64 | 0.81 | 0.97 | 1.16 | 1.16 | 1.45 | 1.74 | 2.09 | 2.90 | 3.00 | 3.00 | 3.00 | 3.00 | 3.00 | 3.00 | 3.00 | 3.00 |
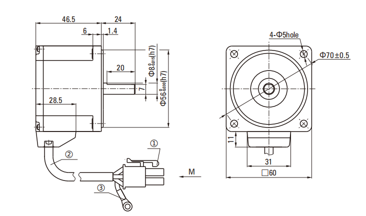
Dimensions (Unit: mm)
| Gearhead model | Gear ratio | L Dimension |
| 2GN□K | 3~18 | 32&41 |
| 20~200 | 41 |
Characteristic Curve Of Motor
Low Voltage Pinouts
| 1 | 2 | 3 | 4 | 5 | 6 | 7 | 8 | |
![]() |
Green (thick) | Black (fine) | Blue (fine) | Red (fine) | Yellow (thick) | Blue (thick) | Green (fine) | Yellow (fine) |
| V | GND | Hw | Vcc+5V | U | W | Hv | Hu |
