Skip to content
Home
About Us
Products
Stepping Motors
Brushless DC Gearmotor
Planetary Gearbox
Frameless Servo Motor
Humanoid Joint Module
Brush DC Gearmotor
Planetary DC Gearmotor
Stand-Alone Wormgear & Worm Gearmotor
Resources
Guide to Planetary Gearboxes
Catalogs
Contact Us
Home
About Us
Products
Stepping Motors
Brushless DC Gearmotor
Planetary Gearbox
Frameless Servo Motor
Humanoid Joint Module
Brush DC Gearmotor
Planetary DC Gearmotor
Stand-Alone Wormgear & Worm Gearmotor
Resources
Guide to Planetary Gearboxes
Catalogs
Contact Us
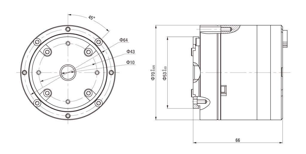
INTEGRATED JOINT SERIES
ZD70-16-B50-1/2 Outline Dimension Diagram
Joint Parameters
Item
ZD70-16-B50-2
Sizes
Ф70mm*66mm
Rated Voltage
60V
Peak Rotational Speed
72rpm
Rated Torque
25N.m
Rated Speed
50rpm
Rated Line Current
3.7A
20s Peak Torque
50N.m
20s Peak Line Current
7.78A
Line Resistance
1.54Ω
Wire Inductance
1690.95mH
Back EMF Coefficient
7.457V/krpm
Torque Constant
0.13N.m/Arms
Velocity Constant
60rpm/V
Encoder Resolution
Motor side 18bit
Insulation Resistance/Stator Winding
500VDC, 10MΩ
High Voltage Resistance/Stator and Casing
500VAC, 5s, 5mA
Weight
720g±20g
Pole
7
Torque Density
70Nm/Kg
Reduction Ratio
50:1
Ordering Info