ZZD94 INTEGRATED JOINT SERIES
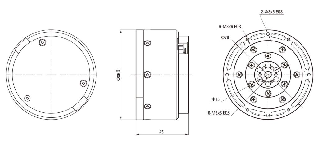
ZD86-10-B10-1/2 Outline Dimension Diagram
Joint Parameters
| Item | ZD86-10-B10-1 | ZD86-10-B36-1 |
| Sizes | Ф86mm*45mm | Ф86mm*44.5mm |
| Rated Voltage | 60V (24V~60V) | 60V (24V~60V) |
| Peak Rotational Speed | 500rpm | 200rpm |
| Rated Torque | 8.5N.m | 30.5N.m |
| Rated Speed | 200rpm | 55rpm |
| Rated Line Current | 21A | 21A |
| 20s Peak Torque | 25.5N.m | 92N.m |
| 20s Peak Line Current | 63A | 63A |
| Line Resistance | 0.059Ω | 0.059Ω |
| Wire Inductance | 0.032mH | 0.032mH |
| Back EMF Coefficient | 6.16V/krpm | 6.16V/krpm |
| Torque Constant | 0.40N.m/Arms | 1.45N.m/Arms |
| Velocity Constant | 83rpm/V | 83rpm/V |
| Encoder Resolution | Motor side 18bit | Motor side 18bit |
| Insulation Resistance/Stator Winding | 500VDC, 10MΩ | 500VDC, 10MΩ |
| High Voltage Resistance/Stator and Casing | 500VAC, 5s, 5mA | 500VAC, 5s, 5mA |
| Weight | 800g±20g | 1000g±20g |
| Pole | 42 | 42 |
| Torque Density | 32Nm/Kg | 92Nm/Kg |
| Reduction Ratio | 10:1 | 36:1 |