52mm Brushless Planetary DC Gear Motor

  • 24VDC
  • 40-60 Watt
  • Gear Ratio 3.65-392.98:1
  • Low noise
  • Helical cut gear.

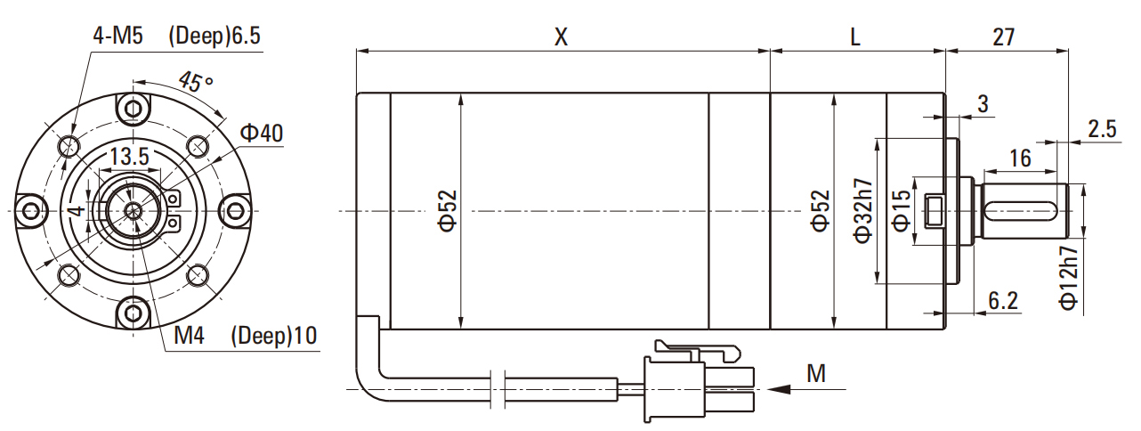
Outside Diameter 52mm DC Brushless Motor

Motor Type Dimension Gearbox Model Gear Ratio Dimension
Z52BLDPN2440-30S 91 62PN□ 3.65~8.63 38.6
13.53~58.22 54.2
Z52BLDPN2460-30S 110
67.08~392.98 69.8

BLDC Motor Technical Data

Motor Type Voltage V Rated Power W Bated Current A Rated Speed RPM Rated Torque N.m Grade Protection IP
Z52BLDPN2440-30S 24 40 2.4 3000 0.127 20
Z52BLDPN2460-30S 24 60 3.8 3000 0.191 20

BLDC Planetary Gear Motor Technical Data-Z52BLDPN2440-30S

Ratio 3.65 5.36 6.55 8.63 13.53 18.92 24.65 28.05 33.92 44.69 58.22 67.08 81.11
Output shaft speed 822 560 458 348 222 159 122 107 88 67 52 45 37
Allowable torque 0.42 0.61 0.75 0.99 1.40 1.95 2.54 2.89 3.50 4.61 6.00 6.24 7.54
Reduction stage 1 1 1 1 2 2 2 2 2 2 2 3 3
Ratio 91.36 102.88 118.98 127.74 145.36 165.64 191.56 231.61 301.68 392.98
Output shaft speed 33 29 25 23 21 18 16 13 10 8
Allowable torque 8.49 9.55 11.06 11.87 13.51 15.40 17.81 21.53 25 25
Reduction stage 3 3 3 3 3 3 3 3 3 3